燃气锅炉原理 应用基础知识
燃气锅炉原理 应用基础知识
燃气锅炉是用天然气、液化气、城市煤气等气体燃料作燃料,在炉内燃烧放出来的热量,加热锅内的水,并使其汽化成蒸汽的热能转换设备。

燃气锅炉的工作原理:水在锅(锅筒)中不断被炉里气体燃料燃烧释放出来的能量加热,温度升高并产生带压蒸汽,由于水的沸点随压力的升高而升高,锅是密封的,水蒸气在里面的膨胀受到限制而产生压力形成热动力(严格的说锅炉的水蒸气是水在锅筒中定压加热至饱和水再汽化形成的)作为一种能源广泛使用。
工业锅炉产品型号按照JB/T1626-2002《工业锅炉产品型号编制方法》编制。锅炉产品型号由三部分组成,各部分之间用短横线相连。

蒸汽锅炉型号表示方法:

例如:WNS2-1.25-Q表示卧式内燃室燃炉,额定蒸发量2t/h,额定蒸汽压力1.25MPa,燃料种类为天然气。
热水锅炉型号表示方法:

例如:WNS1.4-1.0/95/70-Q 表示卧式内燃室燃炉,额定热功率1.4MW,允许工作压力1.0MPa(表压),出水温度为95℃ ,进水温度为70℃,燃料种类为天然气。
锅炉基本技术指标:
压力:锅炉行业通常所指的锅炉压力(压强)即表示垂直于容器单位壁面积上的力,用“Mpa”表示。
1MPa(兆帕)=106Pa,1Pa=1N/m2,1大气压=0.1013 MPa
锅炉运行常用“表压力”,即锅炉压力表所显示的压力。
1 绝对压力[MPa]=1 表压力[MPa]+0.1[MPa] (大气压力)。
温度:用来度量物体冷热程度的标尺的度数。
摄氏温度t,℃;
热力学温度(绝对温度)T,K;T=t+273.15 K
饱和蒸汽温度与压力对照表(表中压力指表压力,即锅炉压力表所显示的压力)。

额定蒸发量:蒸汽锅炉在额定参数(压力、温度)、额定给水温度、使用设计燃料并保证锅炉效率、连续运行时的最大蒸发量。其单位为吨/时(t/h)或公斤/时(kg/h)。
额定热功率:热水锅炉在额定回水温度、额定回水压力和额定循环水量的情况下,长期连续运行时应保证的最大供热量。其单位为兆瓦,即MW。
锅炉热效率:是指锅炉输出的蒸汽或热水的有效利用热量Q与同一时间进入锅炉的燃料完全燃烧放出的热量Qr的百分比,通常用符号“η”表示。即η=Q/Qr×100%。
锅炉热效率是反映锅炉对燃料所放出的热量的有效利用程度的参数。锅炉热效率是反映锅炉是否符合节约能源的标准,是锅炉经济运行的重要指标。
燃料放出的总热量=燃料消耗量×燃料低位热值 (国内计算方法);
燃料放出的总热量=燃料消耗量×燃料高位热值 (国外某些国家计算方法);
燃料高位热值>燃料低位热值。
受热面蒸发率、发热率:
锅炉锅筒与其他受热面和烟气进行热交换的面积H,其每平方米每小时产生蒸汽量D的大小,称为受热面蒸发率D/H,单位为 kg/m2.h。由于各受热面所处烟温和吸热特性不同,D/H有很大差异。炉内水冷壁辐射受热面蒸发率D/H可达80kg/m2.h左右;温度较低的对流受热面D/H则只有20~30kg/m2.h。整个受热面的平均D/H值,通常不超过30~40kg/m2.h。
热水锅炉采用受热面发热率Q/H来表示。一般Q/H<23.2Kw/m2(<20000kcal/m2.h)。
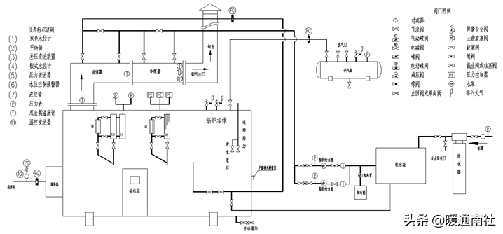
锅炉组成部分:

冷凝锅炉运行系统图:

锅炉运行系统由锅炉本体、控制柜、燃烧器、阀门仪表、水处理、水泵、分汽缸等辅机组成。
主要部件及功能:






燃气锅炉采暖面积及耗气量计算:
燃气锅炉因其负荷自动调节能力强,按照每吨6000~8000平方米计算。北京及以南地区供热负荷负荷可按每吨供热8000平方米计算。北京以北及西部冬季严寒地区供热负荷每吨按照6000平方米计算。
如采暖面积为18000平方米,需要选多大锅炉?
可按照18000÷6000=3(吨),设计考虑余量,选3吨锅炉合适。3吨热水锅炉,按照标准热功率:每吨为0.7MW,3吨为:3×0.7MW=2.1MW。即可选择燃气锅炉型号为:CWNS2.1-90/65-Q或WNS2.1-0.7/95/70-Q型号锅炉。
燃气锅炉耗气量计算:
燃料耗气量=锅炉有效利用的热量÷燃料低位发热量÷锅炉热效率
如0.7MW热水锅炉耗气量计算,锅炉有效利用的热量=0.7MW=0.7×3600×1000=2520000kj/h,燃料低位发热量=35588kj/Nm3,锅炉热效率=91.5%。燃料耗气量=2520000÷35588÷91.5%=77.38Nm3/h。
燃气锅炉出水量计算:
出水量=锅炉发热量÷水的比热容÷温差,水的比热容为4.186kj/(kg·℃)(由于1kcal=4.186kj,顾1kg水升高1℃所需热量为1kcal)。
如0.7MW锅炉进水温度为10度,出水温度要求达到50度,求锅炉出水量。0.7MW热水锅炉发热量相当于60万kcal,出水量=600000÷1÷40=15000kg。
锅炉安装备案流程:

办理开工告知:
办理程序:施工单位携带有关材料于施工前办理,告知后即可施工。办理特种设备开工告知时,应当提供以下资料:
1、《特种设备安装改造维修告知书》(一式三份)。
2、施工单位营业执照、许可证(原件、复印件各一份)。
3、施工项目的安装(改造、维修)合同(原件、复印件各一份)。
4、安装(改造、维修)施工人员作业证书(原件、复印件各一份,包括焊工、管工、电工、无损检测)。
5、施工设备的出厂技术资料(产品合格证、质量证明、监督检验证书)。
6、材料真实性声明。
7、安装授权委托书。
8、锅炉安装施工方案。
9、施工现场质量保证体系人员任命书。
10、锅炉产品能效测试报告。
申报监督检验:
办理程序:施工单位办理开工告知后到指定的检验检测机构申报监督检验。
办理注册登记:
办理程序:使用单位携带有关材料于特种设备投入使用前或投入使用30日内办理。
办理特种设备注册登记时,应当提供以下资料:
使用单位申请办理锅炉使用登记应当按照规定逐台提交锅炉压力容器及其安全阀、爆破片和紧急切断阀等安全附件的有关文件。
1、《特种设备使用登记申请书》(须加盖单位公章)。
2、安全技术规范要求的设计文件、产品质量合格证明、锅炉制造监督检验证书。
3、锅炉安装质量证明书。
4、锅炉安装监督检验证书。
5、锅炉水处理方法及水质指标(水质化验报告)。
6、锅炉使用安全管理的有关规章制度。
7、作业人员、管理人员的《特种设备作业人员证》(司炉工证、水处理证)。
报检费用说明:
锅炉安装收费标准为锅炉合同成交价格的0.5%-1%,由于各地政策不同,具有收费标准需咨询当地特种设备监督检验所。
锅炉房的安全管理:
锅炉的使用必须具有“三证”:
蒸汽或热水锅炉使用登记证;
锅炉年度检验报告;司炉人员操作证。
锅炉房安全管理六种记录:
锅炉及附属设备的运行记录;
交接班记录;水处理设备及水质化验记录;
检查记录;设备检修保养记录;事故记录。
锅炉房安全管理八项制度:
锅炉及辅机的操作制度;
维修保养制度;巡回检查制度;水质管理制度;交接班制度;清洁卫生制度;安全保卫制度。
燃气锅炉的操作规程:
1.启炉前准备:
1)燃气炉检查燃气压力是否正常,不要过高或过低,打开油气的供给节门;
2)检查水泵是否上水,否则打开放气阀,直至上水为止。打开上水系统的各个节门(包括水泵前后及锅炉的上水节门);
3)检查水位计,水位应在正常位置,水位计器、水位色塞需处在打开位置,杜绝假水位,若缺水可手动上水;
4)检查压力管道上的阀门,必须打开,烟道上的挡风板必须全部开启;
5)检查控制柜上的各个旋钮均处于正常位置;
6)检查蒸汽锅炉出水阀应处于关闭状态,热水锅炉循环水泵出气阀也应是关闭状态;
7)检查软化水设备是否正常运行,制造出的软水的各种指标是否符合国家标准。
2.启炉运行:
1)蒸汽锅炉
⑴ 打开总电源;
⑵ 启动燃烧器;
⑶ 锅筒上的放气阀,冒出的完全是蒸汽时,关闭之;
⑷ 检查锅炉人孔,手孔法兰和阀门,发现渗漏处加以紧固,紧固后如渗漏,停炉检修;
⑸ 当气压升0.05~0.1MPa时,补水,排污,检查试验给水系统和排污装置,同时冲洗水位表;
⑹ 气压升至0.1~0.15MPa时,冲洗压力表存水弯管;
⑺ 气压升至0.3MPa时,“负荷大火/小火”旋钮旋至“大火”,加强燃烧;
⑻ 气压升至2/3运行压力时,开始暖管送气,缓慢开启主汽阀,避免水击;
⑼ 排水阀冒出的完全是蒸汽时关闭之;
⑽ 全部排水阀关闭后,缓慢开启主气阀至全开,再回转半圈;
⑾“燃烧器控制”旋钮旋至“自动”;
⑿ 水位调节:根据负荷调节水位(手动启停给水泵),低负荷时水位应稍高于正常水位,高负荷时,水位应稍低于正常水位;
⒀ 汽压调节:根据负荷调节燃烧(手动调节大火/小火);
⒁ 燃烧状况判断,根据火焰颜色,烟气颜色判断空气量燃油雾化状况;
⒂ 观察排烟温度,烟温一般控制在220-250℃之间,同时观察烟囱的排烟温度,浓度,将燃烧调整到最佳状态。
3.正常停炉:
“负荷大火/小火” 旋钮旋至“小火”,关闭燃烧器,蒸汽压力下降至0.05-0.1MPa时进行排污,关闭主汽阀,手动 补水至稍高水位,关毕给水阀,关闭燃烧供给阀,关闭烟道挡板,关闭总电源。
4.紧急停炉:关闭主蒸汽阀,关闭总电源,通知上级领导。
燃气锅炉运行操作时的注意事项:
(1)为防止燃气爆炸事故,燃气锅炉不仅在启动前需对锅炉炉膛及烟气通道进行吹扫,而且还需对燃气供气管道进行吹扫。对燃气供气管道吹扫介质一般采用惰性气体(如氮气、二氧化碳等),而对锅炉炉膛及烟道的吹扫则用一定流量、流速的空气作为吹扫质。
(2)对于燃气锅炉来说,一次未点着火,则就必须对炉膛烟道再进行吹扫后,方可进行第二次点火。
(3)在燃气锅炉燃烧调整过程中,为确保燃烧质量,必须对排烟成分进行检测,以确定过剩空气系数和不完全燃烧情况。一般来说,燃气锅炉在运行过程中,一氧化碳含量应低于100ppm,且在高负荷运行时,过剩空气系数不应超过1.1~1.2;在低负荷条件下,过剩空气系数不应超过1.3。
(4)在锅炉尾部没有采取防腐或凝结水收集等措施的情况下,燃气锅炉应尽量避免在低负荷或低参数情况下长期运行。
(5)对于燃用液态气的燃气锅炉,应特别注意锅炉房的通风条件。因为液态气的重度比空气大,万一发生泄漏极易引起液态气在地面上凝结和扩散,造成恶性爆炸事故。
(6)司炉人员应时刻注意气体阀门的开关情况。气体管路不可漏气,若有异常情况,如锅炉房内有异常气味,不可开启燃烧器,应及时检查通风情况,排除气味,检查阀门,正常后才可投入运行。
(7)气体压力不可过高和过低,应在设定的范围内运行,具体参数由锅炉生产厂家提供。当锅炉运行一段时间,发现气体压力低于设定值时,应及时与煤气公司联系,供气压力是否有变化。燃烧器运行一段时间,应及时检查管路中过滤器是否清洁,如气压下降很多,有可能是气体杂质过多,过滤器被堵塞,应拆下清洗,必要时更换滤芯。
(8)在停运一段时间或检查管路后,在重新投入运行时,应打开放空阀,放气一段时间,放气时间应根据管路长短及气体种类来确定。若锅炉停用时间较长,则应切断煤气供应总阀,关闭放空阀。
(9)应遵守国家有关燃气的规定。锅炉房内不可随意用火,严禁在气体管路旁进行电焊、气焊等作业。
(10)应遵守锅炉制造厂家及燃烧器厂家提供的操作说明书,且说明书应摆放在便于取阅的地方,以便查阅。有异常情况,不能解决问题时,应视问题性质及时与锅炉厂或煤气公司联系,维修要由专业维修人员进行。
燃气锅炉的日常维护保养:
燃气锅炉操作人员应按照操作规程,按月度,季度和年度分别进行维护检修,这样不仅可排除安全隐患,同时也有利于延长燃气锅炉的使用寿命。
月度维护保养项目:
A、燃料供应管路检查:
1.轻油过滤器清洗;
2.点火煤气管路气密性检查;
3.检查管路是否畅通。 B.检查各仪表:
1.水位表冲洗;
2.压力表弯管冲洗;安全阀实验。 C.检查燃烧器:
1.火焰检测器(电眼)清扫受光面;
2.检查油泵工作压力是否正常;
3.检查燃烧火焰是否正常;
4.检查燃烧时,燃烧器声音是否有异常;
5.清洗转杯盘;
6.清洗点水棒。 D.检查进水系统:
1.清洗水过滤器;
2.水泵是否达到额定扬程和流量;
3.止回阀工作是否正常。 E.日用油箱排水及清扫杂物,水质化验,炉水化验。 F.检查燃烧耗量是否正常。
季度维护保养项目:
先完成月度维护保养内容,然后增加以下维护内容: A.电器部分:
1.线路是否有松动老化、失灵;
2.检查电器元件是否可靠、过载;
3.电器保护装置是否正常; B.软水箱停用时打开低阀排除泥渣; C.检测锅炉再点联锁装置:
1.低水位置;
2.超压;
3.熄火;
4.排烟温度超高等。 D.质烟检测:包括烟气成分分析及尾烟温度检测,检查燃烧是否正常工作。 E.清洗锅炉本体及燃烧器外表清洗。
燃气锅炉年度维护保养内容:
一、清理烟管,水管、前后烟箱、炉膛部分及燃尽室及烟管集灰。 二、开盖检查手孔、人孔等检查孔的密封完好程度,并及时更换有缺陷的密封垫。 三、检测整体仪表、阀门、包括压力表、压力控制器及电极水位控制器的检测和安全阀的整定。 A.燃烧器部分: 全面清理燃烧器转杯盘、点火装置、过滤器、油泵、电机及叶轮系统,对风门连杆装置加润滑剂。对燃烧情况重新给予检测。 B.控制部分: 检修检测电器元件,控制线路,清理控制箱集灰,每个控制点进行检测。 C.给水系统: 检修水处理装置,检查水质是否达标,全面清理软水箱,检查给水泵运转情况及扬程,清洗止回阀阀芯等。
-
- 阿方索十三世王后尤金妮亚,一个为西班牙王室回归铺平道路的女子
-
2025-11-20 02:47:31
-
- 去年的树说课稿_去年的树说课稿范文部编版
-
2025-11-20 02:45:27
-
- 男人回归家庭小三如何挽回(男人出轨后回归家庭)
-
2025-11-20 02:43:23
-
- 分享100款好看的发型(4个高效变美的发型)
-
2025-11-20 02:41:19
-
- 十大童装品牌排行( 最受宝妈欢迎的十大童装品牌)
-
2025-11-02 22:55:22
-
- 芭比娃娃的制作(芭比娃娃的制作过程是什么)
-
2025-11-02 22:53:19
-
- 祝高考金榜题名的短句,祝愿高考金榜题名的句子?
-
2025-11-02 22:51:16
-
- 西湖十景,西湖十景哪个最漂亮?
-
2025-11-02 22:49:13
-
- 《琅琊榜2》如果萧平旌不退出朝堂,他的结局会很凄惨
-
2025-11-02 22:47:10
-
- 杜鲁萨迪(杜鲁萨迪香水属于什么档次)
-
2025-11-02 22:45:07
-
- 智利人口密度(智利人口不足两千万)
-
2025-11-02 22:43:04
-
- 搬家黄道吉日是什么时间?2025最佳搬家时间是什么?
-
2025-11-02 22:41:01
-
- 怎么做才能挽回老公的心(挽回出轨老公的心)
-
2025-11-02 22:38:58
-
- 老婆出轨丈夫心理伤害(男人会出现3种危险心理)
-
2025-11-02 22:36:55
-
- 韩信老婆(韩信老婆香姬)
-
2025-11-02 22:34:52
-
- 牛年的吉祥语四字,新年祝福语有哪些四字词语
-
2025-11-02 22:32:49
-
- 衡水武邑县特色美食,武邑县建西小学是私立吗
-
2025-11-02 22:30:46
-
- 血战台儿庄观后感作文有哪些?血战台儿庄是什么?
-
2025-11-02 22:28:43
-
- 小雪吃什么 荟萃4款食谱帮你保健养生
-
2025-11-02 22:26:40
-
- 如何以最优雅的方式狙击那个喜欢的姑娘
-
2025-11-02 22:24:38



40岁女人最想要的16种礼物(40岁女人性生活几天一次算正常)
女人的阴毛有什么作用?女性的12种阴毛类型
消失的夫妻4人详细真实笔录知乎002 消失的夫妻4人详细真实笔录知乎图片
国际标准视力表(国际标准视力表近视力检查距离)
80后100款经典街机游戏名字(街机游戏合集10000合一)
8开纸和a4纸图片对比,8K和A4纸有什么区别哪个大
说女的沙什么意思 分手说沙什么意思
两位领导的座位安排怎么排 两名领导座次应该怎样安排
抖音私密账号是什么?看完这篇就知道了!
耐寒零下30度的庭院花卉品种推荐