电磁炉原理图,美的电磁炉电路原理图分析
电磁炉原理图,美的电磁炉电路原理图分析
本文目录
1.美的电磁炉电路原理图分析 2.金灶d330电磁茶炉电路原理图 3.电磁炉的工作原理 4.电磁炉工作原理各电路信号详细讲解
美的电磁炉电路原理图分析
电磁炉的受欢迎程度逐渐取代了传统灶具,可以十分方便的对食物蒸、煮、炖、炒,风味不减。安全保障好,效率高并且清洁卫生,美的电磁炉成为消费人群评价相当高,值得人们的信赖,让我们一起来具体看看美的电磁炉电路图的工作原理和维修以及相关配件。
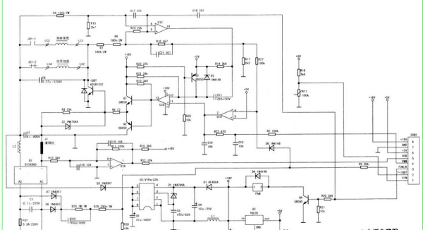
美的电磁炉电路图工作原理
电磁炉利用物理上的电磁感应原理,利用电流由线圈传递产生磁场,将电能转化为热能进行工作。当电磁炉正式开始工作运转时,将原来的交流电压转为直流电压,再控制电路把直流电压变成支持电磁炉工作的高频交流电。高频交流电的作用下,会使锅底电流产生反复切割变化,锅底产生了涡流,利用小电阻大电流的物理短路效应产生热量,使锅迅速发热,从而加热锅内的食物。
由震荡产生热能的加热方式,十分符合当今社会提倡的节能环保的理念,在日常生活中非常受欢迎。
美的电磁炉相关配件介绍
从大的方面来说,电磁炉可分为电子线路和结构性包装两大部分,两大部分下再有属于它们的小构建。
电磁炉电子线路部分组成:主机板、操控显示板、变压器、线圈盘以及风扇马达等。
高压主机板:负责构成电路的回流
低压主机板:具有电脑控制的相关功能
操控显示板:显示电磁炉的工作状态以及传达工作指令
变压器:把电路里220V的交流电压转变成直流电压
线圈盘:将支持电磁炉工作的高频交流电转化为高频交变磁场
风扇马达:辅助电磁炉工作时的散热功能
电磁炉结构性包装部分组成:电源线、陶瓷板、电控板、热敏电阻等。
电源线:将外部电流引进电磁炉开展工作
陶瓷板:采用进口的高级耐热材料
电控板:电磁炉的重要部件,内含帮助电磁炉工作的各个模块器件
热敏电阻:把电磁炉工作的热量信号传给控制电路
美的电磁炉常见故障解决办法美的电磁炉维修点总结
美的电磁炉常见故障解决办法
常见故障一:在插插头时未听到B1一声,电源指示灯不亮。
解决方法:
1.看是否是周围外界的一些环境因素,比如:插头脱落、保险丝断路或者自动开关断路。
2.看锅是否合适,是不是摆放在适当的位置,直径是否是小于12cm。
3.可能是内部的零件除了问题,就要参照维修代码或者是找专业人士。
常见故障二:中间加热,突然电磁炉停止工作。
解决方法:
1.可能是达到了最高的温度点,约10秒钟后恢复功率。
2.可能是内部温度过高,约4分钟后可重新开机。
3.看看是否按错功能键。
4.自动煲粥、煲汤时锅具内的水分烧干。
5.当然也有外界的电源问题,需要检查一下。
6.当然如果真的这些问题都不是的话,就有可能是电磁炉内部的问题,还是要参维修代码或者找维修人员。
常见故障三:各功能键和指示灯正常,但声音报警提示无锅
解决方法:检查功率板,可能是电阻出现了问题,需要更换电阻。
常见故障四:所以的线插好,指示灯也亮了,但是电磁炉不加热。
解决方法:锁好线盘;换稳压的二极管;换基本组件。
常见故障五:正常加热,但是指示灯不亮
解决方法:换LED二极管,换LED基板组件。
常见故障六:蜂鸣器不停止的响。
解决方法:检查开关、热敏电阻、主控IC是不是正常;检查变压器不否正常;检查或者更换基板组件。
美的电磁炉维修点总结
美的是全国连锁的家电品牌,所以美的在全国各地都会有相应维修服务点。总共授权的维修服务店在全国有上千家,分布在全国的各大城市。如果你想要维护美的电磁炉,可以到当地维修点。可以拨打美的的服务热线400-889-9315400-889-9316咨询地址信息。也可拨打一下的地方电话咨询:
北京:北京百姓生活家用电器维修服务中心010-86187075
成都:成华区众智家用电器维修部028-83288480
深圳:深圳市宝安区新安佳美电器维修服务部0755-29610005
上海:上海联之友家电维修经营部021-51767186
南京:南京赛灵家电维修有限公司025-84701947
重庆:涪陵区博翔家电维修中心023-72227025
天津:天津市津南区刘新龙家电维修部022-58052930
“烹饪神器”之美誉的电磁炉,的确帮助人们解决了平日里诸多问题,美的电磁炉在业界口碑甚好。虽然电磁炉的工作原理都是类同的,但其内部使用的材料可能不一,小编要在此提醒使用电磁炉的朋友们,加热后的电磁炉温度非常高,不要用手触摸到加热区域,以免造成烫伤。认准大品牌下的产品,不但能保障财产权益;更主要的是保证使用安全健康。以上就是关于美的电磁炉电路图以及维修的相关介绍了,希望对您有所帮助。

金灶d330电磁茶炉电路原理图
电路原理图:

电磁炉是采用磁场感应涡流加热原理, 他利用电流通过线圈产生磁场,当磁场内之磁力通过含铁质锅底部时, 即会产生无数之小涡流,使锅体本身自行高速发热,然后再加热于锅内食物。 电磁炉工作时产生的电磁波,完全被线圈底部的屏蔽层和顶板上的含铁质锅所吸收。
电磁炉是应用电磁感应原理对食品进行加热的。电磁炉的炉面是耐热陶瓷板,交变电流通过陶瓷板下方的线圈产生磁场,磁场内的磁力线穿过铁锅、不锈钢锅等底部时,产生涡流,令锅底迅速发热,达到加热食品的目的。
其工作过程如下:交流电压经过整流器转换为直流电,又经高频电力转换装置使直流电变为超过音频的高频交流电,将高频交流电加在扁平空心螺旋状的感应加热线圈上,由此产生高频交变磁场。其磁力线穿透灶台的陶瓷台板而作用于金属锅。在烹饪锅体内因电磁感应就有强大的涡流产生。涡流克服锅体的内阻流动时完成电能向热能的转换,所产生的焦耳热就是烹调的热源。
电磁炉的工作原理
电磁炉工作原理和结构
——节 电磁炉工作原理
电磁炉主要是利用电磁感应原理将电能转换为热能的厨房电器,当电磁炉在正常工作时,由整流电路将50Hz的交流电压变成直流电压,再经过控制电路将直流电压转换成频率为20-40KHz的高频电压,电磁炉线圈盘上就会产生交变磁场在锅具底部反复切割变化,使锅具底部产生环状电流(涡流),并利用小电阻大电流的短路热效应产生热量直接使锅底迅速发热,然后再加热器具内的东西。这种振荡生热的加热方式,能减少热量传递的中间环节,大大提高制热效率。
电磁炉的电控工作原理方框图如下: 交流电源 LC振荡电路 功率控制 桥式整流 温度调整
功率驱动电路 波形发生电路 过电压检测电路 锅具检测电路 主控IC电路
降压整流电路 温度检测电路 电流调整.
第二节 电磁炉的型号和货号表示方法
一、电磁炉的型号表示方法 M——Midea C——电磁炉
1.就陶瓷板而言:P——表示陶瓷板的面为平面 A——表示陶瓷板的面为凹面
2.就显示方式而言:V——表示VFD显示。即荧光彩色显示 (高档系列) C——表示LCD显示。即蓝屏液晶显示(中档系列) S——表示数码显示。 即数码管显示(中档系列) 空缺——表示无显示功能(低档系列)
3.就陶瓷面板形状而言:Y——表示面板为圆形 (Y:yuan 圆) F——表示面板为方形
4.功率说明:由两位数组成,数据×100即得电磁炉的最大功率。如: 08——表示最大功率为800W;16——表示最大功率为1600W
5.设备区分码:A、B、C、D用于区分同一系列中不同电磁炉(注:新产品PSF系列产品为尽早上市,暂时使用老品PSD的认证,因此该系列产品保留PSD的编码。)
编码示例:MC——PVF20A M——MIDEA;C——电磁炉;P——平面陶瓷板;V——VFD显示方式;F——方形陶瓷面板;20——最大功率为2000W;A——A型号;
二、电磁炉的货号表示方法1 22 Y V:
① 产品显示特征码:一个字母表示,代表产品显示特征,同时是档次的区分。V:VFD显示——最高档产 品(单炉) C:液晶显示——-高档产品 S:数码显示——-中档产品 E:LED显示——-低档电磁炉
②陶瓷板形状特征:一个字母表示,代表产品外观特征。Y—圆形陶瓷板 F—方形陶瓷板
③产品功率特征码:两位数字表示,代表电磁炉功率的1/100。例如:22表示功率为2200w的电磁炉
④产品识别码:数字形式,区分不同的产品。“1、2、3…….”如此类推
第三节 电磁炉的主要部件介绍及功能\
美的电磁炉主要由以下部件构成:
1、电源线 2、风扇 3、线圈盘 4、变压器 5、热敏电阻 6、陶瓷板 7、底坐 8、上盖、9、电控板!
下面分别讲述各零部件的功能及特点:
1、电源线:功能:是将外部市电引进电磁炉,由于电磁炉的耗电量比较大,所以要求电源线的过电流能力比较强,如果线芯的直径太小,电源线将会发热,长期使用外皮会变硬,甚至烧毁。
特点:美的电磁炉现有电源线的线芯直径是1.0mm2,能过10A的电流。
2、风扇功能:风扇是给电磁炉内散热的部件。目前风扇共有三种风扇:有刷风扇1种、无刷风扇2种;无刷风扇分为12V和18V两种。
特点:无刷风扇更耐用,风量更大噪音更小;有刷风扇的噪声来源主要是气流声。
3、线圈盘功能:在电磁炉中,是完成LC振荡的重点器件之一,是将电能进行储存及释放的器件,完成将电场能转换为磁场能的关键器件。在电路原理中,一般把它当电感进行分析,分大线圈盘和小线圈盘两种,共有两种电感量140uH和157uH。
特点:国家专利大线圈盘,保证锅底100%发热面积,受热更均匀,热效率更高
4、变压器功能:是将220V交流电转换为低电压交流电的设备,一般在电磁炉上有两组或三组电源,+5V、+18V,三组电源还包括+12V,采用两组电源的一般是+5V供单片机、显示按键及一些低压处理电路,+18V供IGBT驱动或风扇电源,采用三组电源的一般是将IGBT驱动和风扇电源分开,风扇电源采用+12V。变压器是为以上电源提供前级低压交流的。所以变压器一般也有三组电源。
特点:美的使用热轧硅钢片变压器,降低变压器功率损耗及发热,延长使用寿命
5热敏电阻功能:感应锅具的加热温度,并传递信号给控制回路,主控IC通过判断,对电磁炉的工作过程进行控制。
特点:采用负温度系数材料,进口品质。
6、陶瓷板功能:在电磁炉的最外面,决定电磁炉的外观质量,分为国产及进口两大类,国产又分为上釉和未上釉两种,一般来讲,上釉后,不易发黄。
特点:加热状态下,膨胀系数极小、径向传热、耐高温、耐磨。进口陶瓷板:白色。国产陶瓷板:A、B、C及上釉。
7、底坐
8、上盖 功能:塑料上盖、底座共同构成产品保护外壳。
特点:美的电磁炉采用V0阻燃级抗菌防霉抗紫外线塑料制造,经权威部门认证抗菌率达99.89% 。表面双层喷金属期工艺:在表面喷涂防护漆,大幅提升涂层抗刮磨能力。
9、电控板功能:电磁炉的重点部件,有接近200个元器件。电路板上有如下模块:电源进入EMC防护模块;整流模块;滤波模块;LC振荡模块;IGBT开关模块;过零检测模块;电流检测模块;电压检测模块;温度检测模块;同步模块;振荡控制模块;IGBT驱动模块;功率控制模块;按键显示模块;电源模块。
特点1、IGBT:使用温度小于85度,现有日本东芝、美国IR、韩国三星、德国西门子。美的—日本东芝 2、芯片:有日本、摩托罗拉、韩国、台湾;美的—东芝3、电容:高压振荡电容,形成振荡电路的核心;大电流、高电压快速充放电, 105度高品质耐高温电容(普通85度)4、整流桥:将交流电源转换为直流电源,产生直流高电压。日本 — 新电元5、电压比较器:8个,美国国家半导体公司出品6、IGBT驱动器:美的-日本东芝7、稳压器:意–法半导体公司7805稳压器

电磁炉工作原理各电路信号详细讲解
电磁炉的原理是电磁感应现象,即利用交变电流通过线圈产生方向不断改变的交变磁场,处于交变磁场中的导体的内部将会出现涡旋电流(原因可参考法拉第电磁感应定律),这是涡旋电场推动导体中载流子(锅里的是电子而绝非铁原子)运动所致;涡旋电流的焦耳热效应使导体升温,从而实现加热。
锅的材质必须为铁质或合金钢,以其高磁导率来加强磁感,从而大大增强涡旋电场及涡流热功率。 其他材质的炊具由于材料电阻率过大或过小,会造成电磁炉负荷异常而启动自动保护,不能正常工作。同时由于铁对磁场的吸收充分、屏蔽效果也非常好,这样减少了很多的磁辐射,所以铁锅比其他任何材质的炊具也都更加安全。此外,铁是人体长期需要摄取的必要元素,但人体只能吸收二价铁,铁锅炒菜中含的是三价铁,然而身体中的还原性维生素可将3价铁转换为2价铁以利吸收。
电磁炉主要有两大部分构成:一是能够产生高频交变磁场电子线路系统(含电磁炉线圈盘);二是用于固定电子线路系统,并承载锅具的结构性外壳(含能承受高温和冷热急变的炉面板)。
(1)电子线路系统包括:功率板、主机板、灯板(操控显示板)、温控、线圈盘及热敏支架、风机、电源线等。
(2)结构性外壳包括:炉面板(瓷板、黑晶板)、塑胶上下盖等;
(3)说明书、功率贴纸、操作胶片、合格证、塑胶袋、防震泡沫、包装盒、条码、卡通箱。
1、炉面板:用于承载锅具,有进口和国产,国产A、B级已能满足使用要求。
2、高压主基板:构成主电流回路。
3、低压主基板:用于电脑控制功能。
4、LED线路板:显示工作状态和传递操作指令。
5、线盘:将高频交变电流转换成交变磁场(PAN)。
6、风扇组件:散热辅助元件(FAN),降低炉内元器件温度。
7、IGBT:俗称功率管,通过低电流信号、控制大电流的通断(IGBT)。
8、桥式整流块:将交流电源转换为直流电源(BD101)。
9、热敏电阻件:将热量信号传递到控制电路。
10、热开关组件:感应IGBT工作温度,从而保护IGBT由于过热损坏

以上就是关于电磁炉原理图,美的电磁炉电路原理图分析的全部内容,以及电磁炉原理的相关内容,希望能够帮到您。
-
- 贵州醇酒厂要门票吗?贵州醇酒厂旅游
-
2025-11-20 13:40:25
-
- 许世友之子许光,得知患癌后交代子女:这病要花很多钱,我没有钱
-
2025-11-20 13:38:18
-
- 天士力酒多少钱一 天士力酒50度多少钱
-
2025-11-20 13:36:11
-
- 蓝之蓝酒42度价格表(蓝之蓝酒52度价格表和图片)
-
2025-11-20 13:34:07
-
- 塔拉多岗哨(戈兰班德岗哨)
-
2025-11-20 13:32:03
-
- 女朋友提出分手很决绝还怎样挽回(如何挽回毅然决绝分手的前女友)
-
2025-11-20 13:29:57
-
- 男人刚分手就有新欢说明什么,为什么说前任分手立刻找新欢
-
2025-11-20 13:27:51
-
- 红玛仕树莓酒的价格(红树莓酒多少钱一瓶)
-
2025-11-20 13:25:47
-
- 做腐叶土用什么树叶比较好(喜欢栽植的盆友福利来了这个季节正是收集树叶制造
-
2025-11-20 13:23:42
-
- 佩雷酒庄红酒价格(灰熊酒庄红酒价格)
-
2025-11-20 13:21:37
-
- 泸州珍藏03,泸州珍藏03多少钱一瓶38°C
-
2025-11-20 13:19:34
-
- 男人赌气分手和真性分手(你要分辨对方是真性还是假性分手)
-
2025-11-20 13:17:29
-
- 哪种牌子葡萄酒好(法国葡萄酒什么牌子好)
-
2025-11-20 13:15:24
-
- 信州春1956典藏多少钱(信州春12年多少钱一瓶)
-
2025-11-20 13:13:17
-
- 可口可乐瓶子的进化史(可口可乐又双叒出新包装了)
-
2025-11-20 12:35:31
-
- 圆月弯刀剧情介绍(圆月弯刀剧情分集介绍)
-
2025-11-20 12:33:27
-
- 贵州茅台生态原浆酒价格表(贵州茅台原浆酒53度价格表)
-
2025-11-20 12:31:23
-
- 汾酒 玛瑙瓶_玛瑙瓶国藏汾酒
-
2025-11-20 12:29:20
-
- 电力电缆故障查找(电力电缆故障测寻技术)
-
2025-11-20 12:27:14
-
- castel特酿白葡萄酒_castel白葡萄酒价格表
-
2025-11-20 12:25:08



40岁女人最想要的16种礼物(40岁女人性生活几天一次算正常)
女人的阴毛有什么作用?女性的12种阴毛类型
消失的夫妻4人详细真实笔录知乎002 消失的夫妻4人详细真实笔录知乎图片
国际标准视力表(国际标准视力表近视力检查距离)
80后100款经典街机游戏名字(街机游戏合集10000合一)
8开纸和a4纸图片对比,8K和A4纸有什么区别哪个大
说女的沙什么意思 分手说沙什么意思
两位领导的座位安排怎么排 两名领导座次应该怎样安排
抖音私密账号是什么?看完这篇就知道了!
耐寒零下30度的庭院花卉品种推荐